главная о лаборатории новости&обновления публикации архив/темы архив/годы поиск альбом
Виталий СААКОВ, рук.PRISS-laboratory / открыть изображение Виталий СААКОВ, рук.PRISS-laboratory / открыть изображение БИБЛИОТЕКА
тексты Московского методологического кружка и других интеллектуальных школ, включенные в работы PRISS-laboratory
Щедровицкий Георгий Петрович
  Щедровицкий Георгий Петрович, 23.02.1929 — 03.02.1994, философ и методолог, общественный и культурный деятель. Создатель научной школы, лидер основанного и руководимого им на протяжении 40 лет Московского Методологического Кружка (ММК) и развернувшегося на его основе методологического движения. Разрабатывал идею методологии как общей рамки всей мыследеятельности.
виталий сааков / priss-laboratory:
тексты-темы / тексты-годы / публикации
     
вернуться в разделш библиотека  
содержание разделаш На перекрестке мысли: введение в системомыследеятельностный подход  
    Предисловие  
  I. Проблемы построения теории мышления и системомыследеятельностный подход
    Проблемы построения теории мышления
    1. [Пространство методологической работы и деятельностный подход]
    2. [Проблемы организации пространства методологического мышления. Рефлексия и мышление]  
    3. Мышление, мыслительная деятельность и деятельность  
    Сноски и примечания  
    4. [Смысл методологической работы. Проблематизация основных методологических понятий]  
    5. [Построение понятий и вопросы онтологии]  
    6. [Понятие рефлексии. Рефлексия и мышление. Рефлексия и сознание]  
    Сноски и примечания  
    7. [Чистая рефлексия и организованная рефлексия]  
    Сноски и примечания  
  II. «Подход» – что это?
    О понятии «подход»
    1 Деятельностный подход. Введение в тему
    2. Системно структурный подход
    3. О понятии «подход» (продолжение)
    4. О системном подходе в структуре подхода
    Сноски и примечания  
  III. Как «подход» употреблять в кооперативной работе?
    5. В чем специфика методологического подхода к проблемам науки
    6. Системно структурный подход в анализе и описании эволюции мышления
    7. Проблемы организации исследований: от теоретико мыслительной к оргдеятельностной методологии анализа
    8. Нормативно деятельностный подход в исследовании интеллектуальных процессов
    9. Дискуссия
    10. Вопросы и дискуссия по пленарному докладу Г.П.Щедровицкого на психологической секцииссия
    11. Человеческая деятельность и предметный мир
    1. Старые понятия и новый подход
    2. Основания объектно-онтологической картины
    3. Схема анализа предметного мира и людей в контексте деятельностного подхода
    Сноски и примечания  
  IV. Как «подход» передавать другим (воспроизводство)?
  О значении исследования коммуникации для развития представлений о мыследеятельности
  Методологический смысл оппозиции натуралистического и системодеятельностного подходов
  Организационно-деятельностный подход: цели и задачи психологических исследований в сфере физкультуры и спорта
  I. Современное состояние, основные проблемы и перспективы развития психологии спорта
  2. Организация и управление в контексте борьбы и конкуренции – суть спортивной работы
  3. Значение знаний для развивающейся сферы деятельности. Проблема приложения знаний
  4. Простейшая схема цикла жизни знания
  5. Схема использования нескольких разнопредметных знаний
  6. Проблема применения научных знаний в практике. Идеальные объекты науки и реальные предметы практики
  7. Представление о прикладной дисциплине
    Сноски и примечания  
  V. Как работает системомыследеятельностный подход?
  Основные понятия и проблемы системомыследеятельностного подхода
  1. Проблема психологизма и методологизма в Московском методологическом кружке
  2. [Основания системомыследеятельностного подхода. Смысл и границы деятельностного подхода]
  Перспективы и программы развития системомыследеятельностной методологии
  Краткая характеристика метода работы, или способа мышления [13 принципов системомыследеятельностного подхода]
    Сноски и примечания  
       
  Литература
  Именной указатель
  Над книгой работали
       
  текст в формате Word
источник: http://www.litres.ru/pages/biblio_book/?art=71388268
«Учение Георгия Щедровицкого: в 10 т. Том I : Подход. Книга 1 : На перекрестке мысли: введение в системомыследеятельностный подход / Г.П.Щедровицкий»: Манн, Иванов и Фербер; Москва; 2024
ISBN 9785002146123
 
  Издано при поддержке Некоммерческого научного фонда «Институт развития им. Г.П.Щедровицкого»
Редактор составитель Г.А.Давыдова
 
     
  НА ПЕРЕКРЕСТКЕ МЫСЛИ: ВВЕДЕНИЕ В СИСТЕМОМЫСЛЕДЕЯТЕЛЬНОСТНЫЙ ПОДХОД  
(11) 4. О системном подходе в структуре подхода 19 январь 2026
В прошлый раз я закончил обсуждение темы на том, что резко противопоставил друг другу две группы процессов: 1) процессы решения проблем и задач, которые происходят в определенных ситуациях и – при искусственно конструктивном подходе – на определенных верстаках, 2) работу по выделению или конструированию так называемых способов деятельности или способов решения задач и подходов, которые (в равной мере как способы, так и подходы) обеспечивают в качестве особых организованностей средства деятельности, мышления, процессы решения задач и проблем.
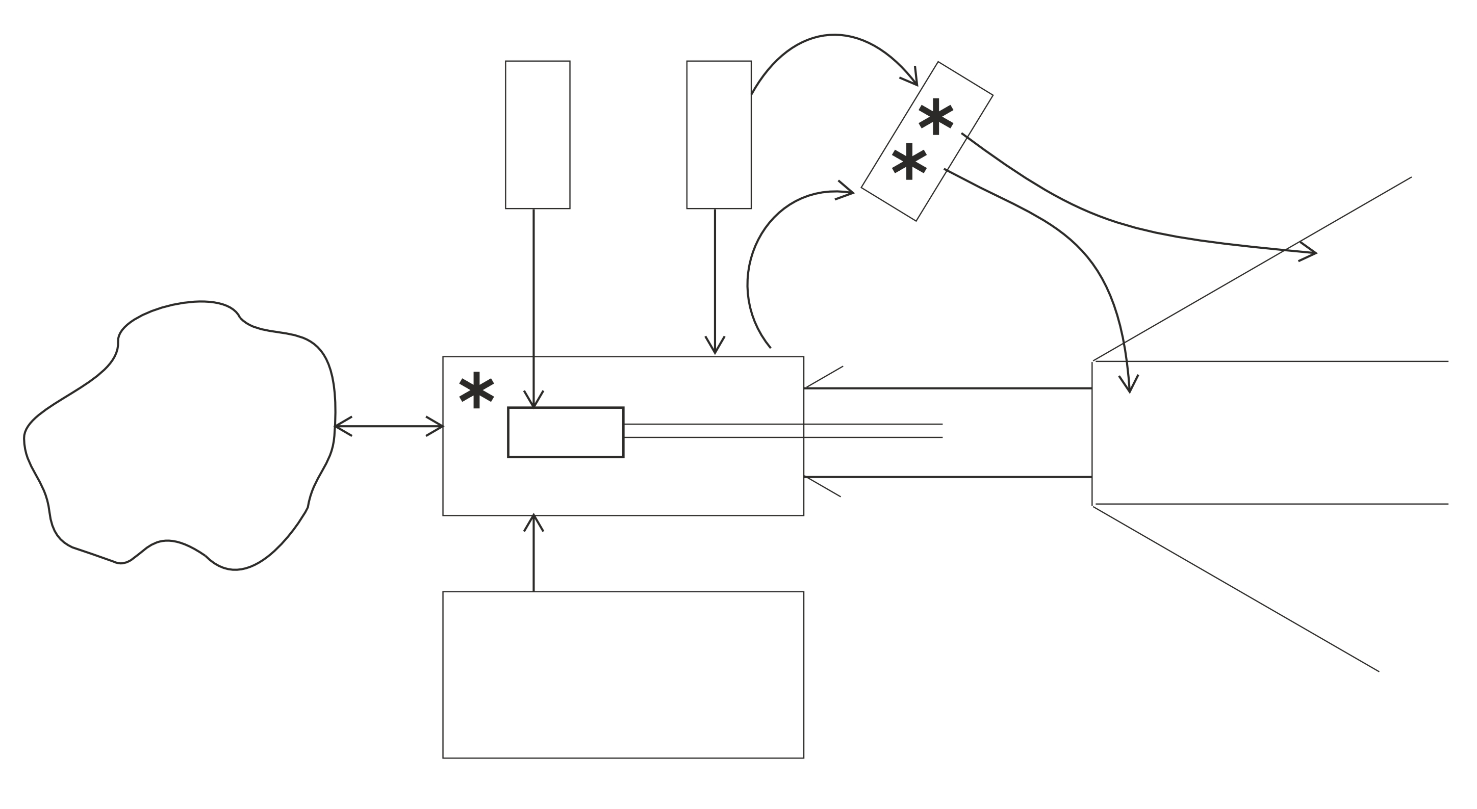
Таким образом, двигаясь в понятийном рефлектирующем рассуждении по этой схеме и при этом жестко не различая системодеятельностный, фокусный, позиционный подходы (я как бы работаю одновременно на склейках одного, другого, третьего – и это возможно за счет рефлексивного характера самого движения), я разделил вроде бы здесь (см. рис.5) два фокуса работы: фокус первый (*) и второй (**).

Важно, что при этом я должен был, обсуждая весь этот круг проблем, рефлектируя по поводу метода самого моего движения, обратить ваше внимание на необходимость введения двух принципиально разных представлений. Мы в конце прошлого заседания довольно много поговорили на эту тему, и я просил вас обратиться к противоположной стенке, на которой висит точно такая же схема, но в функции организационно деятельностной схемы, то есть схемы, организующей собственно нашу деятельность и поведение. А перед нами находится эта же схема, которая используется в качестве схемы, изображающей описываемый нами объект, то есть в функции денотативного обозначения.
Я различаю функции в нашем мышлении и рефлексии и разные интенциональные отношения. Поэтому схема вроде бы одна, но, поскольку мы употребляем ее двумя разными способами, я ее рисую дважды. Это, наверное, важный дидактический прием.
Это мы должны были сделать потому, что перед нами встал серьезный вопрос: как мы должны трактовать эту деятельность, в которой, с одной стороны, решаются определенные проблемы и задачи как бы первого уровня, первого порядка – те, которые заданы практическими установками и целями, и ту часть нашей деятельности, мышления и рефлексии, в которой решается другая группа целевых установок, проблем и задач, связанных уже с разработкой средств для первой работы, следовательно, целей, проблем и задач как бы второго порядка?
Вопрос этот серьезен и принципиален, так как он относится к вопросам о формах организации нашей деятельности, мышления и рефлексии. Но именно потому, что это относится к проблемам организации, возможны разные варианты.
  Рис 5  
 
PRISS-laboratory/ Виталий СААКОВ/ библиотека// Щедровицкий Г.П. На перекрестке мысли: Введение в системомыследеятельностный подход/// ...двигаясь в понятийном рефлектирующем рассуждении по этой схеме и при этом жестко не различая системодеятельностный, фокусный, позиционный подходы (я как бы работаю одновременно на склейках одного, другого, третьего – и это возможно за счет рефлексивного характера самого движения), я разделил вроде бы здесь (см. рис.5) два фокуса работы: фокус первый (*) и второй (**).
© Г.П.Щедровицкий, 1979
 
 

В одних случаях выделение и конструирование средств, методов и даже норм происходит за счет мышления в очевидной, эксплицированной рефлексивной функции и, следовательно, когда рефлексия и мышление еще не отделились от исходной деятельности и осуществляются в ее контексте и структуре; а в других случаях рефлексия и мышление приводят уже к разделению и организационному оформлению и той и другой деятельности и порождают тогда специфически методологические структуры организации.
В прошлый раз я как раз закончил на том, что методологическая организация ведь и фиксирует особую функциональную связь двух (по сути дела) деятельностей или двух образований, оформленных как разные деятельности. И в этом смысле методология есть всегда суперструктура: она объединяет две деятельностные структуры, каждая из которых относительно автономна и может отделяться от другой, и решение исходных проблем и задач будет проходить как бы само по себе, а разработка средств этих решений проблем и задач – в другой организации, относительно автономной, самостоятельной. Это может разделяться, и фактически это разделение оформляется и особым образом организуется, но при этом обязательно сохраняется связь между ними. Если эта связь нарушится, то тогда методологическая структура исчезает, потому что и нижняя деятельность (по решению первичных проблем и задач) не есть методологическая, и верхняя, взятая сама по себе, не есть методологическая, и только в особых взаимоотношениях они образуют специфику методологической работы.
Но (новый момент) эта связь между нижней, как бы синтагматической, и верхней – парадигматической структурой может осуществляться в разных формах и видах: либо опять таки как эксплицированные связи (функциональные, структурные), либо как определенные соответствия между предметными, квазипредметными и надпредметными организованностями, входящими в эти две деятельности. Иначе говоря, мы хорошо знаем, что мысль, деятельность или коммуникативное мышление обладают свойствами взаимоотображения. И нередко эта связь существует не в форме актуальной связи, а в форме как бы отпечатков одного на другом, в виде таких организованностей, которые были порождены этой взаимосвязью в каждой из деятельностей, но за счет разрыва этих связей сохраняются в виде свойств функций (и именно поэтому мы вводим понятие функции) и в виде морфологической организации элементов той или иной деятельности.
Это обстоятельство всегда затрудняло исследование деятельности, ее систем, взаимоотношений между ними. Скажу еще раз: связи в деятельности могут быть либо явными, эксплицированными, либо неявными, имплицированными, существующими за счет соответствия между морфологическими организациями.

Поэтому лингвисты, психологи пользуются внутренне противоречивыми и бессмысленными понятиями, например «потенциальная связь», вообще устраивают эквилибристику с понятиями «потенциальное» и «актуальное», поскольку у них потенциальное существует актуально. И с формальной точки зрения это все – абсолютнейшая ерунда и абракадабра, а с точки зрения существа дела и содержания это оправданно, потому что они действительно имеют дело с такими образованиями, которые соотнесены и связаны друг с другом, несмотря на отсутствие такой связи.
Например, «смысл» и «значение». Значение слова в словаре уже связано с возможными употреблениями этого слова в речи и по смыслу речи, но не за счет того, что оно актуально связано [с этими употреблениями], а за счет того, что оно предуготовлено для такого употребления. И употребление уже предопределено этой функцией любых парадигматических единиц. Они то живут и существуют в «арсенале», «кладовой», где то, но они там существуют в виде орудий и средств, то есть того, что будет определенным образом употребляться. И это существование в качестве орудия, средства и есть, по сути дела, то, что выражается в этой связке «актуальное потенциальное». Это то, что не есть такое, но оно может таким быть. И мало того, что оно может быть, оно может быть таким не по логике употребления, а логика употребления задана здесь морфологией этого средства, этого орудия, этой машины. Значит, здесь, в морфологии, отражается функция. Для лингвистов все это – какие то азы, хотя и не очень понятные. Но, к сожалению, так устроена наша культура, что то, что для лингвистов есть азы, то для других профессий есть вещь совершенно немыслимая, непонятная и неосознаваемая.
Богомолов: Получается, что, глядя на морфологию, мы можем сказать, отпечаталась ли на ней функция или нет? Но тогда мы хотим представить – и представим, что отпечаталась, а хотим – и представим, что не отпечаталась. Здесь нет никаких явных процедур.
На самом деле вы не можете этого представить. Говорить о том, что вы можете представить, вы можете сколько угодно, а реально вы ничего представить не можете. Вы говорите: «Процедуры нет», – значит, вы не можете сделать этого. И вы говорите так: «Вообще то мы можем (в первом смысле слова), но мы этого никогда не можем (в смысле "не умеем")». И вообще (добавляется соответствующая порция психологизма – вечное подспорье, когда «не можем» во втором смысле) все это релятивно: кто что хочет, тот и делает. Поэтому людям постоянно приходится разделять и различать тех, кто может, и тех, кто не может, потому что одни могут, а другие «могут», и проблема состоит в том, чтобы найти и выделить тех, кто может, а тех, кто не может, отодвинуть от дела, которое они не могут делать. И моя задача не состоит в том, чтобы разделять… Это само собой происходит.
Это не есть моя цель, так как это происходит само и помогать этому не надо. И пусть это происходит: одни должны мочь, а другие – не мочь. Так было всегда, иначе не будет развития. Или иначе: чтобы обсуждать какой нибудь вопрос, надо быть причастным…
Богомолов: Схема, нарисованная на противоположной стенке, вроде бы никак не соответствует вашей деятельности. И насколько эта картинка может быть изображением деятельности? Совершенно непонятно различие: материал, онтология… Откуда взялся материал? Почему изменяются только средства, а не все остальное? Как вы различаете материал и конструктивные элементы? Материал вроде существует в системной парадигме, материал можно схематизировать, а где здесь материал? Какое он имеет к этому отношение? Вы онтологию выделяете как особое основание, но ведь есть куча других оснований и т.д.
То есть все это дело настолько перемешано, что любые наши понятия оказываются размазанными по нескольким блокам, и совершенно непонятно, в чем суть предложенного различения. Ведь различение между двумя группами процессов можно было бы сделать без этой схемы, без всех ее блоков: без онтологии, материала и цели.

Все эти вопросы законны, и все они так или иначе обсуждались за прошедшие три года. Поэтому я буду отвечать коротко. Понятие материала работает и существует не только в системной парадигме, но и в массе других, например форма-материал. Поскольку оно работает в нескольких парадигмах, то имеет и свое морфологическое значение. Поэтому в этом плане оно должно быть совершенно очевидным, то есть материал есть материал. Здесь еще раз появляется неоспособленность в различных типах работы: поскольку я использую эту схему в онтологической функции, постольку я должен говорить, что материал есть это. Я отсылаю вас к сборнику «Проблемы исследования систем и структур». Там подробно в моей статье и в статье О.И.Генисаретского обсуждаются типы употребления языков, в частности, рассказывается о том, что такое номинативный язык онтологических картин и чем он отличается от всех других языков(77). Такой номинативный язык не имеет смыслозначащей компоненты. Он содержит только денотативную компоненту. Поэтому материал есть вот это, и ничего больше нельзя спрашивать.
Богомолов: Но для чего он вам сейчас нужен?
Наумов: Схема задает свернутое изображение той деятельности, которая осуществляется. А есть, кроме того, еще процессуальная разработка этой структуры в рассуждении и в коммуникации.
 
Структуры объекта… Поскольку это есть след от деятельности.
Наумов: И твои вопросы к той и другой схеме должны быть не только адекватны самой структуре, но и еще этапу ее развертывания. Такие вопросы вроде бы задаются к концу рассуждения…
Эта схема выполняет функции организации нашей работы. Это организационная схема. Она при этом как средство организации нашего мышления, нашей деятельности, нашей рефлексии может, в частности, трактоваться как изображение объекта. Это одна из трактовок. В другой раз, скажем, она может трактоваться как алгоритм, то есть как требование «делай так и так». Это другая трактовка. Поэтому, когда вы спрашиваете, может ли эта схема изображать деятельность, я говорю, что вообще то не для этого эти схемы делаются, а для того, чтобы организовать деятельность. В частности, в процессе этой организации эта схема, с одной стороны, организует нашу деятельность (по принципу склейки искусственного и естественного), а с другой – изображает тот объект, по которому идет движение нашей мысли, нашей рефлексии, нашей деятельности. Значит, у нее не одна функция, а много. При этом я не задаю себе вопросов, как и насколько изображает эта схема объект. Они не свойственны той манере работы, которую я сейчас применяю. Я же не в познавательной ситуации. Мне надо знать, насколько она организует, и все. Без науки. Поскольку я работаю в основном в проектной модальности (а по отношению к деятельности только так и надо работать), то я ставлю другой вопрос: насколько проект реализуем, могу я эту деятельность «лепить» по нему? Могу и леплю, поскольку мы с вами выяснили основное свойство деятельности – ее пластичность.
Меня сейчас занимают эти два фокуса, и их я обсуждаю. У меня цели есть, поэтому я себе обычно не задаю вопрос: а что еще в мире может быть? Когда мне нужен кусок хлеба, я иду в булочную и не обсуждаю вопрос, мог ли я еще пойти в Третьяковскую галерею.
Гнедовский: Мне остался неясным тезис, что методология является суперструктурой над этими двумя процессами. Меня интересует это категориальное отношение, потому что я пытаюсь сопоставлять ту категоризацию этой схемы, которую вы производите, с тем, что мы делали на первых заседаниях по докладу Петра [Щедровицкого]: там у нас появлялась подходная методология, неподходная методология, устанавливались между ними определенные отношения, в частности отношения формы организации и содержания организуемого… И здесь это начинает раскрываться, потому что, действительно, подходы возникают над способами, способы – над задачами, и, наверное, нельзя формулировать такой обобщенный тезис, что просто методология – это суперструктура. Надо различать разные подразделения методологии, разные ее использования. Не очень ясны все эти отношения.
Прежде всего необходимо различить, какого рода ответа вы ждете на свой вопрос, в частности когда вы спрашиваете «что такое методология?». Вы ждете ответ по понятию или в форме понятия? Но я вроде бы и даю по понятию. Давайте развернем все это, коль вы задали этот вопрос. Это само по себе интересно. Что мы делаем, когда спрашиваем «что есть то или то?». Это и есть то, на чем развивалась содержательная логика, начиная от Аристотеля. Испокон веков этому учили для того, чтобы окультурить человеческое мышление, – сначала в средневековых университетах, потом учили это в гимназиях. Теперь вообще перестали учить, и поэтому мышление перестало существовать напрочь. То, чему не учат, того больше нет. Я здесь воспользуюсь прекрасным докладом Н.Г.Алексеева и образами, которые он давал во время доклада: «Все мы окончили неполную или полную среднюю школу и всю жизнь, начиная с четвертого класса, решали задачи, поэтому мы знаем, что такое задача. Мы все озадачены, у нас мышление организовано задачно. Но поскольку нас никогда не учили логике, постольку у нас и не может быть мышления».
Это есть один из кардинальных вопросов, который интересно обсуждается уже Аристотелем, и он образует живое содержание всякой логики. Когда мы спрашиваем «что есть то то и то то?», то мы можем отвечать либо по понятию, то есть вводя понятие этого, либо онтологически, то есть рисуя это, либо же по определению, которое есть сложная синкретическая комбинация понятия, онтологии и операциональных процедур. Отсюда возникает нынешнее представление об операциональной сущности определения, фактически и более точно – о его интенционально операциональной сущности. Аристотель спрашивал следующим образом: эта структура находится в вещи (то есть в реальности, в объекте) или в термине? Отсюда у него был вопрос: что такое суть определения? Что мы определяем – сущность вещи или термин? Или мы определяем понятие так, как стали учить концептуалисты после Абеляра? Итак: вещь, ее сущность, – термин или понятие как таковое? Но при этом не удавалось ответить на вопрос, что есть понятие и откуда возникала всякого рода проблематика об операциональной природе.
Вы меня фактически спрашиваете, что такое методология или как я здесь ввожу и задаю методологию, как я отвечаю на вопрос, что есть методология.
Гнедовский: Как именно здесь вы отвечаете на этот вопрос? Потому что я вроде не имею права задавать вам этот вопрос, если я просто гляжу на эту схему. Нет на ней соответствующего квадратика методологии, не выделено никакого фрагмента как методологического, нет содержания и даже той структуры связи… Но когда вы ее обсуждаете и рассуждаете, у вас появляется методология и такое странное определение как «суперструктура», и такое отношение фиксируется, но не вписывается в объект, не кладется туда как одна из частей объекта или рамка для этого объекта, а остается существовать в каком то другом пространстве – не в пространстве этой онтологии.
Что я теперь должен отфиксировать через рефлексию как происшедшее и зафиксировать понятийно, в принципах и т.д.? В ходе обсуждения темы и движения по обсуждаемому содержанию мы пришли к пункту, когда мое обсуждение всей этой группы вопросов привело к двум фокусам, обозначенным звездочками (см. рис. 5); и два разных употребления одной, нарисованной на доске схемы, привели к разрыву и расслоению самой схемы. Я начал с обсуждения такого предмета, где объект, данный через схему в функции онтологической схемы, и метод были соразмерны друг другу, где метод, или мое движение, и то, что я отслаиваю как объект, соответствовали бы друг другу и поэтому замыкались на одной схеме. Я имел перед собой эту схему, и я использовал ее, с одной стороны, как средство оптимизации моего движения, моей мысли, с другой – как изображение объекта. За счет этого движение моей мысли было соразмерно объекту.
На этой схеме я выделил два фокуса, ухватил их, потянул их в разные стороны, и у меня вся моя схема разъехалась на две схемы. Это я проделал такое рассуждение. Но затем мой объект стал несоразмерен моим словам. Моя работа привела к тому, что мои схемы стали несоразмерны с объектом: у меня объект уже расслоился, разделился в ходе мысленного движения – одна деятельность, которая соответствует разработке средств (парадигматическая), и другая, которая соответствует решению задач. Это вместо одной, в которой не было этого различия. Мне пришлось саму схему теперь расслоить на схему алгоритмическую, или, как мы теперь говорим, «организационно деятельностную», поскольку у меня остается та деятельность, которую я могу исполнять, и она организована этой схемой, и я теперь должен схему, которая по прежнему одна схема и которая организует мою деятельность, нарисовать еще раз. Вместо этой схемы в функции изображения объекта появляется две других схемы. У меня два верстака, два материала и т.д. И я теперь, чтобы изобразить объект, должен их каким то образом друг на друга наложить, каким то образом соединить, вписать одно в другое, причем соотнести функциональные структуры, морфологию и т.д. В прошлый раз здесь я давал ссылку на работу В.А.Лефевра «Системы, нарисованные на системах»(78).
Тут появляется вопрос Миши [Гнедовского]. Он говорит: «Вы берете эти две деятельности и говорите, что это и есть структура методологии». Миша хочет зафиксировать то обстоятельство, что речь идет не о структуре, а о признаке. И здесь мы приходим к новому употреблению схемы – схема в смысле характеристики или признака. Миша тогда спрашивает: что же это за странная вещь – схема в функции признаков? что это за качество – «признак»? Мы здесь приходим к очень важному вопросу. Задавая такое удвоение схемы и говоря о связи между ними, я задаю эту связь как принцип: это и есть основной момент подхода.
 
Принцип – это особого типа характеристика, которая существует как характеристика безотносительно к тем или иным объектам. Поэтому вы совершенно правы – я здесь задаю методологию по понятию – как некоторый принцип организации. Принцип противопоставлен онтологическому изображению. Принцип – это особая форма существования… Связь двух деятельностей и образует методологию. Это утверждение осмысленно лишь по понятию, как выражение принципа. Оно совершенно не дает ответа на вопрос, как организована методология, каковы формы ее организации. Ответить на вопрос о формах организации методологии достаточно сложно, поскольку методология у нас первоначально существует в неявном виде как рефлексия и как понимание в деятельности. Потом она начинает оформляться как мышление, потом – как деятельность, соответствующая всему этому.
Мы четко различаем методологическую рефлексию, методологическое понимание, методологическое мышление, методологическую деятельность или действование и методологическую работу. Здесь сложнейшая иерархия понятий. Вот есть рефлексия, отвечающая на вопрос, как я действую. И я получил рефлексивное представление о методе моей работы. Это методология? Вроде бы и да, и нет. Она есть в зародыше, она есть в потенции и интенции, но реально как особой формы организации ее еще нет. Следующий уровень – у меня мышление стало выполнять эту функцию. Есть у меня методология? Тоже вроде бы и есть, и нет. Она есть как мышление, но ее нет как деятельности. Наконец, это доходит до деятельности… И полностью расползлось… Если все это так, если процесс становления методологической работы правдоподобен, то я тогда говорю: с методологией невероятно сложно, и, пытаясь изобразить формы организации, мы наталкиваемся на массу трудностей, а именно: мы получаем метаметодологию, метаметаметодологию и т.д. Когда я пытаюсь организовать целостность методологии, она начинает троиться…
Поэтому обратите внимание, как я буду хитро, даже казуистически отвечать… Определение по понятию и через принципы имеет целый ряд своих преимуществ. Ведь понятия есть особая форма обобщения, применимого для многих разнокачественных объектов, и в этом смысл характеристики. Характеристика существует вне объекта. Характеристика есть абстрактное свойство, и к каким объектам оно будет применяться – совершенно неясно и непонятно. К самым разным объектам. Поэтому я не могу здесь задать формы организации методологии и методологической работы, да мне это и не нужно. Я ввожу основное свойство методологии на уровне принципа, причем методологии вообще. Я ввожу здесь всеобщую характеристику методологии – это есть связь между, если хотите, подготовительной и исполнительской деятельностью.
А когда вы мне начинаете говорить о формах методологии, то тут я уже не могу обойтись одними характеристиками и даже одной типологией, потому что теперь от этих характеристик есть два принципиально разных хода – к типам и к онтологиям. И они так и должны рассматриваться – типологический и онтологический, или структурно системный ход.
Здесь, кстати, ключ к обсуждению типологического и системно структурного, но это следующие ходы. Когда вы мне говорите: подходная методология и еще какая то, то либо вы работаете на уровне типов и типологической таблицы, либо на уровне таких сферных или системодеятельностных организаций… Я пока остаюсь на уровне фиксации этого принципа, хотя это важно и невероятно интересно.
Итак, отвечаю на ваш вопрос по понятию… Та проблема, которую вы подняли, есть, по сути дела, нерв всей традиционной логико философской проблематики. Если хотеть понять, что такое Гегель и что реально означали его категории «единства», «отдельного», «всеобщего», если вы хотите понять, что такое Василий Давыдов, [Феликс] Михайлов, Эвальд Ильенков и другие и каковы их отношения к Аристотелю, кто такой Авенир Уёмов и кто такой Виталий Дубровский как философ, надо обсуждать эту поднятую вами проблему – проблему интерпретации или употребления характеристик.
Для лингвистики это будет проблема морфологии и синтаксиса (среди многих других) или проблематика типологического метода, или структурного метода. Малиновский: То, что вы зафиксировали сейчас как расхождение объекта и метода, можно ли понимать так, что в этот же момент вы обсуждаете собственно методологический подход?
Я отвечаю на вопросы, заданные в рефлексивной манере по поводу моего движения. Объясняю через понятия. Я говорю, что я делаю и что при этом получается. Раз я не ставил себе целью рассказывать, что такое методологический подход, то у меня этого и не было. Другое дело, когда вы можете понять и проинтерпретировать сказанное в другом контексте, на другом верстаке. Вы можете это сделать в плане вашей индивидуальной работы, но меня не надо туда тащить. Я буду сопротивляться. Я «привернут» к своему верстаку.
Малиновский: Да, но вы собираетесь работать в этом раздрае.
Обратите внимание, я все привел в соответствие. У нас про другое речь шла. Вы не можете взять все то, что я говорил, как синтагматику для вашего парадигматического обсуждения вопроса о том, что такое методологический подход. Но это и означает, что вы предлагаете мне по отношению к моей деятельности применить снова этот раздрай как прием: опять расслоить и выделить второй верстак, где мы обсудим методологический подход как средство организации моей работы. Да, но я против этого, я буду сопротивляться…
Мне здесь не надо переходить на предлагаемую Павлом [Малиновским] другую деятельность, с другой целью и задачей. Я это проделал мимоходом, поскольку мне задавали вопросы «а что вы здесь делаете?». Я отрефлексировал и замкнулся на эту же схему. Я вроде бы сказал все это, только говорю: в онтологию это не кладите, интерпретируйте это как описание «как» по отношению к моей работе.
Я ведь рассказываю, как я работаю, что я делаю, откуда возник вопрос, что у нас произошло в коммуникации. Потом я говорю: возьмите это и пользуйтесь этим как техническим представлением, методикой, не кладите это в отдельную онтологию – в смысле «как», а не «что». А вы спрашиваете: «что это?». Но вы меня на это не сдвинете, потому что это новая объективация техники моей работы, новая ее предметизация и переход в другой объект, отслаивание объекта. То есть вы мне предлагаете обсудить обсуждаемую мною сейчас процедуру в другом контексте. Я этого делать не буду, поскольку я тогда потеряю свой предмет. А раздрай между моим методом и онтологией я разрешил за счет того, что я так теперь расслоил представление объекта, что у меня каждой части опять соразмерен мой метод. Если теперь мой объект представляет собой две связанных между собой деятельности, то для каждой части (каждой деятельности) схема полна. Я опять остаюсь в рамках этой схемы и заданного ею метода.
У меня появилась только некоторая добавка, а именно: методологическая связь. И для обсуждения этой методологической связи я должен буду ввести новый метод. У меня теперь две части в деятельности, для каждой части старый метод годится, только не годится для объяснения связи между ними – некоторого нового образования, которое требует нового метода, новых форм деятельности. Я это и проблематизировал… Теперь это – новое целое, заданное этой связью методологической работы. По понятию это нечто принципиально новое, но это новое пока что состоит из двух старых частей, которые мы уже обсудили, и связей между ними. Пока я их только разделил. А вот как они связаны – это вопрос. Я обе части понимаю: они у меня уже были, и я знаю, как с ними работать, они соответствуют моим способам работы. Неясно только, как они теперь свяжутся и что все это будет означать в плане смены метода моей работы.
На первом (негативном) шаге я вроде бы раздрай снял, теперь его нет. Это очень странный прием. Смысл его – опять согласовать в той мере, в какой можно согласовать, а то, что нельзя согласовать, – вынести в сторону и зафиксировать как свое незнание. Таким образом, я фиксирую знание о том, чего я не знаю, тем самым резко выделяю этот новый момент, который я не знаю.
 
Я уже знаю, что я не знаю и что, следовательно, я должен обсуждать, то есть я на самом деле уже поставил проблему. Когда я ее буду обсуждать через мои средства, тогда мы перейдем к проблеме методологического подхода или способа… Здесь я напоминаю о своих целях и задачах. Все это расслоение и указание на необходимость соединить все это, нарисовать одно на другом нужно мне для того, чтобы ответить на вопрос: что представляет собой подход как особая единица методологической работы? А я уже зафиксировал одну проблему: это их [двух частей – ред.] различение и связывание и есть специфический момент методологического мышления.
Методолог – это тот, кто может ответить на вопрос, как связано одно и другое, не соединяя их, не видя одного в другом, но умея их связывать в знании, через знание и в практике собственной работы. При этом практика собственной работы должна соответствовать тем знаниям, которые он употребляет; в данном случае – специфически методологическим знаниям. Поэтому Фердинанд Соссюр был первым, кто ввел в лингвистику деятельностный подход и в этом смысле методологический. Я здесь вынужден делать упор на деятельностном, а не методологическом подходе, потому что Соссюр после этого различения должен был различить лингвистику языка и лингвистику текста, а это было сделано через 50–60 лет после него. Задание двух лингвистик как двух разных предметных образований – это есть деятельностное завершение идей Соссюра в лингвистике, порождавшее действительность методологического подхода.
Каково было мое условие задания методологической связи? Четкое разделение двух деятельностей на уровне синтагматики и парадигматики как оформленных деятельностей. Дело в том, что методология есть надпредметная связь, значит, должны были образоваться две деятельности, два предмета: один – в синтагматике, другой – в парадигматике, и методология есть связь этих двух структур деятельности как разных структур и связь этих двух предметов как разных. Другое дело, что эта связь реализуется через «поедание» одного другим, но это происходит на уровне естественного существования, а в методологическом мышлении и рефлексии оно фиксируется как связь двух образований. И в этих деятельностных предметах происходит новое расслоение объекта нашего обсуждения, появляется новая несоразмерность за счет того, что у меня еще нет специфически методологических процедур работы.
До этого я хотел сохранить соответствие объекта методу и для этого я разделил на две части так, что мой метод соответствует как бы части целого. Теперь мне нужно проделать обратную процедуру и совершить оборачивание: мне нужно метод привести в соответствие с моим новым целостным объектом.
Раньше я достигал соразмерности объекта и метода за счет того, что я объект «раскачивал» и менял. Теперь я должен метод изменить, обогатить его. Еще раз резюмирую эту часть. Если подходы и способы это не то же самое, что решения, и если подходы и способы существуют самостоятельно, а в решениях они лишь формируются, с одной стороны, и реализуются, с другой стороны, то, следовательно, я их должен описать как разные и особым образом друг с другом связанные. Но я уже понял, что эта связь очень хитрая – связь реализации одного в другом. Это очень важно, и дальше я на этом буду основываться: реализация структуры в виде процесса, если говорить на категориальном уровне, организованности в виде процесса.
Я могу разрешить такую задачу только за счет новых методов, новых методических схем. Раньше я упрощал объект, приводя его в соответствие с методом за счет того, что раскалывал его на две части. Теперь я буду исходить из целостности этого объекта как особым образом связывающей две деятельности, две предметные организации. В «переводе» на лингвистику: теперь надо понять, что значение – это не смысл, смысл – это не значение. Но ведь значения реализуются в виде смыслов, но при этом они уже не значения, а они смыслы, они приобретают совершенно иной тип существования. Подход и способ должны реализоваться в решение, в процесс решения, но при этом они будут чем то принципиально иным, нежели сам подход и способ. Но процесс решения есть не что иное, как реализация подхода и способа, и, следовательно, верно и то, что они существуют в виде таких решений. Поэтому я не могу взять только верхнюю часть и сказать, что только вверху, в парадигматике и есть способ и подход. Значение, не реализующееся в виде смыслов, не есть значение.
Я фактически сейчас определяю границы и смысл проблемы. Я теперь задаю вопрос: как же теперь такую хитрую штуку как подход или способ, исследовать, если они, с одной стороны, существуют в парадигматике в виде особых организованностей, в виде особых конструкций структурного типа, и, кроме того, существуют в синтагматике – в процессах мышления, в процессах деятельности, и эти два их существования разнокатегориальны?
Фактически я должен объяснить, что это за подход и способ, который существует одновременно в двух категориальных формах.
Богомолов: Это стандартная проблема для анализа любых видов деятельностей. Это не типично для подхода.
Правильно… Эти способы реально существуют в парадигматике, и они реально существуют в виде процессов решения. Не в виде проекций, а как таковые. Они там существуют во всей своей полноте и целостности в каждом из этих фокусов: и в парадигматике подход и способ даны целиком, и в синтагматике каждый из них дан целиком. Суть не в том, что частично, а в том, что в разных формах – в одной форме или в другой форме.
Здесь возникают совершенно новые категории – категория «формы и материала», или, точнее, «формы и содержания». Для анализа подобных вещей становятся необходимыми категории «формы» и «содержания», процедуры синонимических отождествлений, установления синонимии разных слов – так эта проблема выступает в лингвистике. Здесь имеется синонимическое употребление. И я пока не знаю, «матрешечная» здесь связь или нет. Здесь есть разные варианты решения и проблематизируется, как это будет обсуждаться дальше… То есть каково же отношение между тем, что мы называем подходом, способом на уровне парадигматики, и подходом и способом вообще?
Мы здесь приходим к тому, что у нас опять термины должны расслоиться, и мы вынуждены начинать говорить: подход и способ в узком смысле, противопоставленные решению, и подход и способ в широком смысле слова – как схватывающие решение. Но здесь «широкое» и «узкое» – чисто условная аналогия, потому что здесь нет широты и узости классов объектов. Здесь речь идет именно о топологии самой схемы, о топологической методике пространства схемы. Здесь возникает (при условии гипонимии(79), если мы ее предполагаем) сложная проблема: проблема специфически структурно системная. Подход и способ – это что? То, что охватывает все внутри этого большого квадрата, или все, что внутри большого квадрата за вычетом маленького (см. рис.6)?
  Рис 6 Рис 7
 
PRISS-laboratory/ Виталий СААКОВ/ библиотека// Щедровицкий Г.П. На перекрестке мысли: Введение в системомыследеятельностный подход/// Здесь речь идет именно о топологии самой схемы, о топологической методике пространства схемы. Здесь возникает (при условии гипонимии(79), если мы ее предполагаем) сложная проблема: проблема специфически структурно системная. Подход и способ – это что? То, что охватывает все внутри этого большого квадрата, или все, что внутри большого квадрата за вычетом маленького (см. рис.6)
© Г.П.Щедровицкий, 1979
PRISS-laboratory/ Виталий СААКОВ/ библиотека// Щедровицкий Г.П. На перекрестке мысли: Введение в системомыследеятельностный подход/// Проблема тоже есть строго определенная социальная и социокультурная связь мышления, рефлексии, деятельности, мыслительной деятельности в частности. Насколько я понимаю, в англоязычной литературе этого различения нет, а нам придется начинать именно с этого… Теперь я это высказываю как гипотезу, или, точнее, как принцип: способы решения связаны с задачами, а подходы есть то, что соответствует проблемам. И, следовательно, я теперь могу сказать, что у меня получается такая двухфокусная структура (см. рис.7).
© Г.П.Щедровицкий, 1979
 

Такой вид приобретает эта проблема в структурной интерпретации. То есть если мы имеем «матрешечную» систему, то она с внутренностями или без? Здесь или надо выбрать то или другое, или взять то и другое вместе. Это как раз тематика горьковского совещания. Доклад называется: «Структурно функциональный и морфологический подход». В зависимости от того, какой подход вы принимаете, одна из этих логик становится неприемлемой. Кроме того, они еще должны быть связаны и соотнесены друг с другом. Нам же надо научиться переходить из одной в другую, поскольку люди все время переходят. Лингвисты до сих пор не нашли решения этой проблемы. Богомолов: Это скорее не логика, а подход, что то более узкое. То есть есть структурная логика и морфологическая логика, а подход – это как все это соотнести.
По видимому, нет. Но вы уже принимаете один вариант ответа на мой вопрос, то есть вы опять забежали вперед и говорите: «без внутренностей». Или «с внутренностями»?
Богомолов: С местом для «внутренностей».
Эта «внутренность» материально наполнена или пустая? Вся история лингвистики за последние 200 лет служит контрпримером этому. Оказывается, для целого важно, каким материалом заполняются эти «внутренности» – соответствующим или не соответствующим. Оказывается, что есть соответствующие и несоответствующие заполнения, и оказывается, что несоответствующие заполнения часто более значимы, чем соответствующие. Вся жизнь и строится на этом – на том, что мы заполняем несоответствующим. Тогда целое предполагает обязательное наполнение этих «внутренностей»… Эту штуку надо рассматривать с точки зрения эволюции и развития и обязательно рассматривать сквозь связку разных процессов, чего лингвисты не делают, потому что не могут делать и их метод не соответствует такому рассмотрению. У них есть еще другая вещь – ареальный подход (не генетический). А, кстати, в типологическом подходе будет еще иначе… Все еще зависит от того, куда, на какие процессы, на какую топику вы все спроецируете в объемлющей системе. От этого у вас будут меняться методы включения. Дело в том, что в типодеятельностных схемах нет ареальной проблематики (в смысле распространения). А когда мы начинаем рассматривать в критической, скажем, модальности склейки, синкреты и т.д. …
Богомолов: Интересно, то, что вы дальше будете рассказывать, – это уже применение готовых представлений об анализе элементов в объекте или это будет их разработка, а представлений пока еще нет?
А как вы различаете одно и другое? Вы ведь не различаете того, что я рассказываю. Вот скажите, я когда говорю свой текст, я новый смысл создаю или старыми значениями пользуюсь?

Я вам даю модель вашего вопроса… Вы меня спрашиваете: «Вы будете старыми значениями пользоваться или новый смысл создавать?» И то и другое! Я буду создавать новый смысл, пользуясь старыми значениями.
Итак, мы зафиксировали, что, для того чтобы я рассматривал способы и подходы, я должен а) поделить все это в плане «синтагматика парадигматика» и б) взять все в связи одного [целого]… При этом у меня возникнут все эти проблемы, которые мы сейчас расписали: проблема «с внутренностями – без внутренностей», такого рода отношения… Но важно, что у нас есть два гетерогенных и гетерархированных существования одного подхода или способа. То и другое я должен рассматривать еще и в связях друг с другом – только в этом случае я могу надеяться ответить на вопрос, что есть способ и подход.
Богомолов: Это будет задание одной из парадигматик подхода… для того, чтобы понять, как он развивается, живет?
Я с этими вещами расправляюсь очень просто. Я отсекаю… иногда головы, иногда языки всему тому, что угодно, но запрещаю покидать границы. Я заранее ставлю уровни рефлексии и говорю: а дальше бегать нельзя.
Тогда, следовательно, у меня будет три взаимосвязанных между собой предмета. В одной линии это организовывается парадигматикой, в другой – организовывается в синтагматике, и в третьей – связь одного и другого: их структура соединяется. И при этом я должен различить подход и способ. И здесь я продолжаю очень интересную линию, намеченную на этом совещании в докладе Н.Г.Алексеева, где было сказано, что задача есть не что иное, как особая социальная и социокультурная (я подчеркиваю двуплановость этого) связь разных деятельностей. По сути дела, это исходное определение для синтагматического уровня рассмотрения. Когда я говорю «социальная», я намечаю собственно синтагматический уровень, когда я говорю «социокультурная», я намечаю связь синтагматического уровня с парадигматическим, возможность выхода туда, потому что культурность ведь определяется типом парадигматики.
Точно так же я скажу про проблему. Проблема тоже есть строго определенная социальная и социокультурная связь мышления, рефлексии, деятельности, мыслительной деятельности в частности. Насколько я понимаю, в англоязычной литературе этого различения нет, а нам придется начинать именно с этого… Теперь я это высказываю как гипотезу, или, точнее, как принцип: способы решения связаны с задачами, а подходы есть то, что соответствует проблемам. И, следовательно, я теперь могу сказать, что у меня получается такая двухфокусная структура (см. рис.7).
Внизу, на уровне синтагматики, должно быть одно, на уровне парадигматики – другое, и я говорю об этом, задавая такую пару: «задачи – способы», «проблемы – подходы».
Гнедовский: Но до сих пор задачи и проблемы различались тем, что проблемы – это такие задачи, у которых нет способа решения.
Или иначе: проблемы – это то, что решается с помощью подхода, а задача – это то, что решается с помощью способа.
Гнедовский: Но тогда мы просто переводим необходимость противопоставления в парадигматический план и должны теперь противопоставлять способы и подходы и плевать на проблемы и задачи, которые будут соответствующей синтагматикой
Нет. Я перед этим все время доказывал, что плевать не можем, поскольку я не знаю, как проблемы и задачи соотносятся с подходами и способами. В соответствии с только что намеченными схемами, в частности схемой гипонимии (см. рис.5), я спрошу: проблемы входят в подходы? задачи входят в способы? Или, наоборот, я могу привести обратное гипонимическое соотношение: задача – это то, что охватывает способы, а проблема – это то, что охватывает подходы? Эти интересные отношения красиво проявились в докладе В.Л.Даниловой при обсуждении всего того, что относилось к задачам на соображение. То есть задачи на соображение есть фактически реальные и уже эмпирически экспериментальные реализации этого различения. И для психологов и педагогов это сегодня основная проблема, потому что вроде бы они до сих пор учили решению задач и, следовательно, отрабатывали способы, а теперь вроде бы надо учить решению проблем, и, соответственно, возникает установка: формировать подходы и ответить на вопрос, что есть структура подходов. Психологи эти вопросы ставят, но не решают. Решают их, конечно, методологи.
Гнедовский: Все таки на чем строится противопоставление?
Я его поднял в уровень парадигматики как гипотезу. Теперь я ввожу понятийную оппозицию на связках. Я должен эту гипотезу как проблему погрузить на материал, реализовать. Мы же в нашей деятельности, в мышлении все время реализуем проблемы. Наши проблемы мы все время опускаем вниз и реализуем. Собственно, это я и буду обсуждать, и я это уже обсуждаю соразмерно этой процедуре. И теперь, положив это как такое гипотетическое, проблематизированное образование, я буду пытаться его реализовать в своих конструкциях. И по мере того, как это будет реализоваться, я буду говорить: видите, какая у меня хорошая гипотеза, как она соответствует реальному положению дел! Хотя на самом деле я ее буду реализовать. Нужно мне все это для того, чтобы двигаться. В ответе, для чего мне нужен подход, системный подход в частности, мне нужна некоторая опора, с помощью которой я бы все это мог начать разворачивать.
 
И я такую опору нахожу в задачах и проблемах и в их различении. Я потом, между прочим, буду устанавливать определенные связи между задачами и проблемами. Кстати, это в теме программирования. И соответственно этому я буду устанавливать соотношение между проблемами и задачами. Тогда у меня подход будет такая организация, которая дает возможность переходить к способам, комплексам способов.
Может быть, я буду рассматривать подход традиционно для нашего круга – как надстройку над способами, с одной стороны, а с другой стороны, как нечто снимающее и объемлющее все это. Может быть, я там установлю сложные отношения. Поэтому я могу добавить, что у меня таких связок получается две плюс конструктивная идея насчет того, что подход возникает над способом и увязывается то ли сверху, то ли в структуре. И все это я ввожу и делаю еще один шаг. У меня внизу синтагматикат (см. рис.7). А что это значит? Проблемы и задачи существуют в определенных ситуациях. Следовательно, я должен и здесь, и здесь ввести ситуации. И, соответственно, у меня будут задачные ситуации или проблемные ситуации. Правда, мы до сих пор не знаем, существует ли деятельность в ситуации, или ситуация порождается деятельностью. Они особым образом соотнесены друг с другом. Кто знает, ситуация порождает задачи или проблему или задача порождает ситуацию?
Богомолов: Видимо, это две разные ситуации. Одна ситуация порождает задачу, а задача порождает какую то другую ситуацию. Обе эти ситуации существуют и должны рассматриваться как отдельные.
Может быть. Но тогда вы вносите уже некоторый процесс… Нельзя сказать, что это – развитие, это – то, что называется эмердженцией (emergency). Процесс эмердженции или актуалгенеза. Попробуйте ввести… Если вы различаете, то обязаны и связывать. Что толку мне различать, если я связать не могу? Когда я научусь связывать, тогда и будем различать. То есть различение и есть связь особого рода…
Одно важное напоминание. В 1959 году на Всесоюзном съезде по кибернетике(80) профессор Матвиевский очень красиво мне объяснил разницу между инженером и ученым: «Это вы, ученые, можете ставить разные проблемы; мы, инженеры, ставить проблемы не можем, мы можем только ставить и решать задачи. А в чем разница? Все очень просто. Проблема – это то, над чем думают бесконечно долго и совершенно безответственно, а задача – это то, что инженер должен решить к определенному дню и в строго установленной форме». Это обстоятельство возвращает нас к обсуждавшимся на этом совещании проблемам, в частности в докладах В.М.Розина, Н.Г.Алексеева и других: что такое способ? Я об этом говорил в 1958-1962 годах.
Мы пришли к такому представлению, что способ, во первых, предполагает наличие определенной оперативной системы, с которой соотносится текст условий, и существуют определенные средства перехода от текста условий к ситуации и создаваемой в связи с нею оперативной системой. Оперативная система задает целый ряд возможных типов работы, преобразований.
Но для того, чтобы получилась задача, надо от текста задания суметь перейти к этой оперативной системе. Для этого используются разные средства. Перейти – значит отобразить содержание задания в то или иное выражение из этой оперативной системы или отобразить в том или ином, каждый раз строго определенном, выражении этой оперативной системы. Если мы возьмем проходившее здесь, на совещании, обсуждение задач на соображение, то там фиксировался один момент – то, что такой оперативной системы нет. Это вопрос спорный, ведь Семёнов, например, показывал, что «на самом деле» она есть… Если их много разных, значит задачи на соображение – это много разных задач в одном тексте. Но в 1958-1960 годах я показал(81), что любая классическая учебная задача содержит много разных способов решения, или оперативных систем, и в этом смысле нет никакой разницы.
Поэтому задачи на соображение я бы разделил на два класса: открытые задачи и открытые проблемы. Я сказал бы, что это названия двух совершенно разных образований. Это ведь обиходное выражение, а для того, чтобы разобраться в том, что такое «задача», надо проделать особую работу от конструкции. И здесь я – опять в качестве гипотезы – скажу, что суть дела в этом переходе и в наличии средств перехода. С моей точки зрения, способ есть гетерогенное, гетерохронное и гетерархированное образование (я дальше, чтобы сократить все это, буду говорить «3Г[три гэ] образование»). Это значит, что эти «матрешечные» схемы существуют и там, а именно: ведь оперативные системы – это не способ. По видимому, надо оперативные системы фиксировать как одно образование и рассматривать трансляцию их в культуре как нечто особое и самостоятельное, а с другой стороны, обсуждать вопрос об отношении оперативных систем к чему то другому, что, собственно, и обеспечивает переход от ситуации, как бы провоцирующей тем или иным заданием, к той или иной оперативной системе. Никогда не бывает одной ситуации. Всегда существует масса ситуаций, вложенных друг в друга.
Что мы обсуждали на схемах переноса опыта(81a)? Любой методист, ученый, методолог, культуротехник всегда работает не в одной ситуации, а на соотнесении будущей и прошлой ситуации. Во вторых, он фактически работает на множестве будущих ситуаций и множестве прошлых ситуаций – разных, задаваемых разными моментами. И возникает вопрос: чем все это стягивается, собирается в одно целое?
По видимому, с одной стороны, это оперативные системы, с другой стороны – возможные (в будущем и прошлом) ситуации из всех наборов – это два фактора, определяющие способ. Способ, с другой стороны, есть то, что собирает это в одно целое и организует, структурирует множество будущих и прошлых ситуаций, и, больше того, он их выбирает, он их фильтрует, превращая эти два ряда возможных (прошлых, будущих) ситуаций в одну сложную, сложнособранную ситуацию, в которой будущее и прошлое стянуты через настоящее или просто стянуты.
Теперь я могу сказать, что задача, кроме всего прочего, есть не просто особый тип социальной и социокультурной связи деятельности, но это вместе с тем есть особый тип связи оперативных систем и тех будущих ситуаций, которые этими оперативными системами предзаданы, прошлых ситуаций, которые как бы надвигаются на нас или в которые мы попадаем через то, что образуем специфическую организованность способа. Специфическую в том смысле, что оперативные системы тоже вроде входят в способ, но они не специфичны для способа. Способ, возможно, есть такая категория, которая все это организует в одно целое. Например, в тех опытах, которые мы проводили с С.Г.Якобсон на простых арифметических задачах(82), таким средством, обеспечивающим переход, является выложенная в определенных схематизмах на карточках категория «целого» и «части». Если вводится категория целого-части, то тогда все это вроде бы и обеспечивает переход и связь. Должен быть особого рода организационный схематизм, который все это выражает и воедино стягивает.
Например, просят ученика «перевернуть» слово «топор», произнести его наоборот. Это задачка непростая. Можно представить его написанным и прочитать – таким путем идут отличники первого и второго классов. В третьем классе оказывается, что так работать уже нельзя, и они автоматически превращаются в двоечников. А двоечники первого и второго классов, становящиеся отличниками, поскольку не могут себе это представить и прочитать (у них нет воображения и представления), начинают водить пальцем туда и назад. Иначе говоря, рука, введенная в качестве средства, несет на себе очень богатое категориальное содержание… Множество всех букв и оперативный объект [ученик] переворачивает. Но для этого ему надо закрепить особым образом буквы, а потом перевернуть, потому что он (в идеальном плане) читать справа налево не может. Надо взять карточки с буквами и особым образом переложить.
 
И оказывается, что в данном случае пять карточек, определенным образом расположенных и подчиненных определенному оперативному правилу переворачивания, – это и есть способ решения как средство, заменяющее текст условий из недеятельной ситуации (ситуация представления) с тем, что должно быть представлено в будущем. Надо осуществить это преобразование прошлой ситуации в новую, требующуюся. Для этого нужно оперативный объект [сконструировать так, чтобы он допускал применение нужной оперативной системы].
В этом смысле средство перехода тоже есть определенная оперативная система. И тогда оказывается, что способ есть определенная соорганизация оперативных систем – сложных, простых – от двух и более, особая организация оперативных систем по принципу замещения друг друга, стыковки одной с другой. Лефевр с Дубовской красиво это показывали, опираясь на материалы работы со студентами(83) . Проведенные тогда сравнительные эксперименты показали, что студенты мехмата самые тупые на предмет решения задач, поскольку у них невероятная бедность оперативных систем. Что такое структурные схемы? Это средство перевода точек в отношения и связи. Поэтому если имеется условие, где объекты заданы поточечно, а надо получить объект, в котором все имеется в отношениях и связях, то им нужно определенное средство, которым бы они условие перевели в точки, точки – в отношения и отношения отобразили вниз. Это тоже определенная оперативная система, средство или способ, который соорганизует две вложенные друг в друга оперативные системы.
Теперь я могу сказать, какое обязательное требование на эту промежуточную оперативную систему: чтобы в ней было две склеенных, неорганизованных оперативных системы. Если вы хотите перейти от одним способом организованной ситуации к другой, организованной иным категориальным способом, вам в качестве промежуточного способа нужно правило перехода от одной оперативной системы к другой. Что значит «правило»? Это значит, что нужно иметь такую оперативную систему, которая своими элементами и подсистемами содержала бы и ту, с которой вы начинаете переход, и ту, к которой вы идете. Оказывается, что все эти способы есть не что иное, как связки оперативных систем, выраженные в одном оперативном образе или средстве. Здесь нет Марка Мееровича, который присутствовал при разговоре с Н.Дубинским. Тот меня спросил, что я вижу самого интересного в исторической концепции Л.Гумилёва. Вся суть в том, что там совмещаются разные планы рассмотрения: с одной стороны, географическая среда, солнечные изменения, усыхание Большой Степи, с другой – социально экономические отношения – скотоводство, с третьей – групповая борьба, с четвертой – такие личности как сам Чингисхан и т.д.
А Дубинский как закричит на меня: «Все это неправильно! Потому что должен быть один ведущий фактор, а все остальное – это случайности». Я говорю ему: «Да, но это тоже играет свою роль». Он говорит: «Да да, мы не спорим, но это всё мутации». Если возникает такой гений, это «мутант», и все становится ясным. Есть закон, а потом в разные стороны выплескиваются мутации, которые лежат вне закономерной плоскости. Он не собирает все это, а вырубает, высекает. Такая плоская картина… Я то лично думаю, что наоборот. Если кто то умеет понимать, то он «мутант», его надо «вырубить». Меня то интересует совершенно другое – как учатся понимать… Я прочел Л.С.Выготского и ему поверил. У меня уже нет других путей, я верю, что он был прав. Выготский говорил об усвоении культурных средств, поэтому я и обсуждаю эту проблему. Мне важна структура подхода, и я ее обсуждаю.
Наумов: Можно ли эту сборку оперативной системы на языке ситуации проинтерпретировать как сборку ситуации решения из прошлых ситуаций решения?
Это так, но это ведь только набрасывает какие то вопросы к структуре подхода. Я не отвечаю пока на вопрос, как это есть, но уже из предыдущего ясно, что нужно, с одной стороны, брать то, что лежит в парадигматике, с другой стороны, брать то, что должно быть реализовано в синтагматике. Но сама эта парадигматика фактически есть не что иное, как особым образом организованное множество этих прошлых ситуаций, о которых вы говорите. Наумов: Они как раз все двухслойные, и двухслойная штука начинает собираться из двухслойных образований…
Трехслойных, пятислойных… Все зависит от того, какого уровня это достигло. Вы очень четко фиксируете основную мою мысль – я теперь должен производить деятельностную развертку каждого способа для того, чтобы ответить на вопрос, как устроен способ, из чего он собран, из каких оперативных систем, за счет каких особых средств, как организовано все это. Это к вопросу о том, где же существует способ и как он может исследоваться. Дальше я буду все это зеркально отображать для более сложных случаев. Я либо должен найти эти самые способы, увидеть их, начать их исследовательски познавать… Поэтому я буду это делать конструктивно, но мне нужно на чем то закрепиться. Тогда фактически если у меня каждый способ есть средство перехода какого то набора прошлых ситуаций с использовавшимися в них особыми средствами к будущему, то смысл дела состоит в том, что я должен построить решение либо задачи, либо проблемы. Нам, собственно, эту разницу и нужно будет обсуждать: что такое решение задач либо решение проблем?
Я обращаюсь к тому, что четко выявил в своем выступлении С.И.Котельников по докладу Бондаровской. Как же конструируются эти способы?
С одной стороны, мы обращаемся к будущим ситуациям, должны выделить целевую функцию этого способа конструкции, с другой стороны, у меня есть прошлые ситуации, прошлый опыт, который я в историко критическом анализе должен как то выявить, накопить. И я фактически задаю здесь такой верстак для себя, что я получаю возможность конструировать бесконечное количество способов в зависимости от того, какого рода задачи я туда кладу. Я задачи тоже буду конструировать, но конструировать на этой тройной связке… У меня, с одной стороны, есть то, что в прошлом (на что идет опора)…
Наумов: Может быть, способ конструируется не под задачи, а под проблемы, и тогда вам не нужно было бы сейчас говорить о задаче.
Я уже это разделил. Я хочу, чтобы мы обсуждали задачи и проблемы, способы и подходы параллельно. А вы пытаетесь стереть границу между тем и другим. А я хочу их развести и задать более широкий диапазон.
Богомолов: А третий то кто?
Настоящий переход, сам способ. Есть ситуация решения задач, процесс решения задач – это один полюс. И вроде бы это и есть форма существования способа. Способ и должен осуществиться в процессе решения. Что такое способ? Это то, что мне позволит решить. Значит, способ – это и есть потенциальное это решение. С другой стороны, способ не есть это решение, поскольку он – способ, а не решение, хотя он и осуществится в решении. Он есть нечто другое – то, что даст возможность построить решение, поскольку решение строится. Мы как раз должны исходить из того, что решение не есть конструкция способа. Способ есть нечто третье.
Богомолов: Различия, которые появляются при реализации способа, могут давать толчок к развитию способа внутри себя, без смены…
Только не знаю, способа или нет. Поскольку решение не есть способ. Но, с другой стороны, сам способ есть не что иное, как особая парадигматическая соорганизация прошлых решений. Значит, много решений, обобщаемых и организуемых в класс, или одно решение, подразумевающее за собой целый класс, множество… Если одно решение, то тогда оно туда и переносится, а ведь ему же нужно от множества решений перейти к чему то другому, и это достигается за счет того, что много разных решений [обобщаются]. Вы, Никита, здесь сплющиваете, схлопываете рефлексию, мышление, действование. А поскольку у них у каждого свое особое содержание, то вам кажется, что то, что появляется, там уже и было. Имеется ряд решений – это не способы. Потом способ – это еще не следующее решение. Потом следующее решение…
 
Это все разные образования. Вспомните все мои разговоры о том, что их соединяют, склеивают, что смысл рассматривают как реализующиеся значения, не видят разницы между смыслом и значением. А здесь надо видеть все время эту разницу и одновременно связь, переводящую одно в другое. Поэтому здесь структура всей этой связки – переноса – это одно…
Гнедовский: И это как бы функциональное рассмотрение, а другое – генетическое.
Там много разных, и они все пойдут в разные планы. Причем это все – «3Г», потому что и прошлые решения (каждое из них) живут в своем особом времени, способ живет в своем особом времени, и будущие решения живут в своем особом времени.
Гнедовский: Поэтому вы неправильно сказали и поправились, что будущее и прошлое связывается в способе через настоящее. Конечно нет, поскольку здесь времени нет. Наоборот, связывается через ахронию. Трансляция идет через время в культуре.
Верно. Но когда я взял это в одной связке и не отношу это к многослойному плану многосферной организации деятельности (у меня есть одна структура, или функциональная организация), то тут я вынужден говорить о гетерохронности составляющих элементов.
Гнедовский: Я указываю только на то, что вы не рассматриваете вопрос о времени.
Это если я очень культурный. А если я, скажем, на уровне аристотелевской культуры, или эйнштейновской, или на уровне культуры Бергсона, то я вынужден говорить о связи прошлого, будущего и настоящего. Мы с вами уже выяснили и договорились, что структурно системный подход кардинальным образом меняет все представления о времени и пространстве.
Мы с вами выяснили и договорились, что в настоящее время отсутствуют представления о времени и пространстве, адекватные структурно системному подходу. А раз их нет, то я здесь вынужден говорить в старых терминах и говорю, что все «3Г» нужны для того, чтобы этот момент отфиксировать.
Гнедовский: Ну и что вы прибедняетесь? У вас же они есть. Вы же различаете культурное время и время течения этих… И есть много других временных осей.
Отлично. Вы думаете, что от того, что у меня стало столько временных осей, я стал богат? Ничего подобного! Ибо это и есть основания редукционизма – когда у меня много, я могу выражать в этом, в этом и т.д. – это каждый раз редукция. Проблема в том, чтобы их связать, увязать друг с другом. А пока они у меня не увязаны как разные, до тех пор у меня нет решения. Поэтому мне здесь все надо увязать одно с другим и разобраться со всем этим – как это все связано.
А пока я начинаю производить процессуально деятельностную или функционально структурно деятельностную растяжку.
Смотрите, какая интересная конструкция… Способ у меня «сидит» наверху (см. рис. 4)(83a). Это есть определенная организованность. Эта организованность (как организованность) «снимает», свертывает в себе множество прошлых решений, их процессуальность и потенциально содержит в себе будущее (этот процесс) – и они все разнокатегориальны. Здесь нет времени. Теперь я начинаю характеризовать жизнь каждого из элементов и говорю: каждый из них живет в своем времени, в своих процессах, и моя функциональная структура, которая есть теперь схема моего анализа фактически и онтологическая картина, и задает связь этих «3Г». И последняя мысль… Мне теперь надо перейти к подходу.
А подход мы с вами уже определили как тот случай, когда нет соответствующих оперативных систем. Но что значит: нет соответствующих оперативных систем? Первый случай: их много разных, и у меня нет связки их друг с другом, либо случай, когда у меня нет подходящих, адекватных, то есть все, которые есть (те, что в культуре), практически неадекватны.
альтернативного? Может быть, есть отдельные понятия, отдельные схемы и т.д. Что будет включаться в этот процесс решения той или иной задачи или проблемы? Для того чтобы разбираться со всем этим, я должен начать с конца – с целевой функции. И я должен задавать типологию ситуаций по характеру разрывов, которые здесь возникают. Но это все может делаться только по отношению к наличным способам, а эти способы – по отношению к прошлому опыту. И, следовательно, это одна целостная структура, которая и характеризует либо способ, либо подход в его деятельностной развертке, хотя сам способ или подход задан здесь в среднем члене, на уровне парадигматики.
Гнедовский: Вопрос только в том, как можно все это пройти и ухватить достаточно быстро и просто в первом приближении?
Правильно. То есть проблема только что поставленная – проблема метода всего этого анализа. Мы уже поняли, что примерно нам надо исследовать, на онтологической картинке более или менее зафиксировали это. У нас уже есть какой то эскизик. Только надо быстро, но систематически и целенаправленно расслоить эти все проблемы.
 
Сноски и примечания  
(77) - См. [Щедровицкий, 1965б; Генисаретский, 1965]. Примеч. ред.  
(78) - См. [Лефевр, 1971; 1973 (Гл. IX. Системы, нарисованные на системах)]. Примеч. ред.  
(79) - Гипонимия – в родовидовых отношениях выражает частную сущность (род) по отношению к более общему понятию (виду).  
(80) - …на Всесоюзном съезде по кибернетике – видимо, имеется в виду Всесоюзное совещание по вычислительной математике и вычислительной технике, проходившее в МГУ в ноябре 1959 года.  
(81) - См., например, [Щедровицкий, 1960а; 1965а]. Примеч. ред.  
(81a) - См.здесь Музей схем ММК, схемы 3 и 4 (примеч. В.Сааков)  
(82) - См. [Щедровицкий, Якобсон, 1962; Якобсон, Щедровицкий, 1963]. Примеч. ред.  
(83) - См. [Лефевр, Дубовская, 1965]. Примеч. ред.  
(83a) - Не вполне ясно, к какому параграфу относится ссылка данного рисунка - к параграфу "3. О понятии «подход» (продолжение)" II части или к параграфу "1. [Пространство методологической работы и деятельностный подход]" I части (примеч. В Сааков)  
(83a) - Не вполне ясно, к какому параграфу относится ссылка данного рисунка - к параграфу "3. О понятии «подход» (продолжение)" II части или к параграфу "1. [Пространство методологической работы и деятельностный подход]" I части (примеч. В Сааков)  
     
 
   
Щедровицкий Георгий Петрович (23.02.1929 - 03.02.1994), философ и методолог, общественный и культурный деятель. Создатель научной школы, лидер основанного и руководимого им на протяжении 40 лет Московского Методологического Кружка (ММК) и развернувшегося на его основе методологического движения. Разрабатывал идею методологии как общей рамки всей мыследеятельности.
- - - - - - - - - - - - - - - -
смотри сайт Фонд "Институт развития им.Щедровицкого"
http://www.fondgp.ru/
- - - - - - - - - - - - - - - -
Щедровицкий Георгий Петрович, 23.02.1929 — 03.02.1994, философ и методолог, общественный и культурный деятель. Создатель научной школы, лидер основанного и руководимого им на протяжении 40 лет Московского Методологического Кружка (ММК) и развернувшегося на его основе методологического движения. Разрабатывал идею методологии как общей рамки всей мыследеятельности. Щедровицкий Георгий Петрович
     
 
 
    © Виталий Сааков,  PRISS-laboratory, с 30 ноября 2025  
    оставить сообщение для PRISS-laboratory
© PRISS-design 2004 социокультурные и социотехнические системы
priss-методология priss-семиотика priss-эпистемология
культурные ландшафты
priss-оргуправление priss-мультиинженерия priss-консалтинг priss-дизайн priss-образование&подготовка
главная о лаборатории новости&обновления публикации архив/темы архив/годы поиск альбом
с 30 нгябрь 2025

последнее обновление/изменение
20 январь 2026
12 январь 2026
07 декабрь 2025
30 нгябрь 2025